Тормозные устройства лифтовых лебёдок - часть 3
Колодочный тормоз с короткоходовым электромагнитом постоянного тока типа МП-201
На рис. 2.26 представлен колодочный тормоз с короткоходовым
электромагнитом постоянного тока типа МП-201. Конструкция тормоза
состоит из рычагов 16, шарнирно прикрепленных при помощи осей к корпусу
редуктора. К рычагам также посредством осей крепятся тормозные колодки
18 с фрикционными накладками. Колодки фиксируются в рабочем положении
при помощи фиксаторов 17, состоящих из распора и
пружины. Фиксаторы устанавливаются в отверстиях
рычагов и предотвращают при растормаживании тормоза поворот колодок
вокруг своих осей под действием собственного веса. Рычаги 16 при помощи
сжатых, калиброванных по длине и жесткости пружин 13 прижимают колодки к
тормозной полумуфте. Пружина установлена между втулкой рычага и фасонной
шайбой, через которые проходит шпилька с гайкой и контргайкой. Шпилька
ввернута в корпус тормоза. К корпусу тормоза шарнирно крепятся двуплечие
рычаги 14. Одним плечом они упираются в шток 9 электромагнита, а другим
— в регулировочные винты 15, ввернутые в рычаги 16. На винтах
установлены контргайки. Тормозной электромагнит 8 состоит из
неподвижного сердечника 10 с катушкой 11 и якоря 7 со штырем,
упирающимся в шток 9. Рычаг 4 предназначен для ручного растормаживания
тормоза.
При подаче напряжения на катушку якорь притягивается вниз к сердечнику и
штырь нажимает на шток 9 электромагнита. Шток 9 разворачивает двуплечие
рычаги 14, которые и отводят рычаги 16 в стороны. При этом тормозные
колодки 18 освобождают тормозную полумуфту, растормаживая лебедку.
После снятия напряжения с катушки рычаги 16 под действием силы сжатых
пружин 13 возвращаются в исходное положение. Тор-мозные колодки 18
накладываются на тормозную полумуфту, затормаживая лебедку.
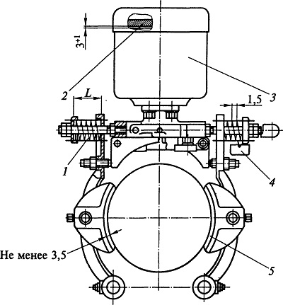
При эксплуатации тормоза с короткоходовым
электромагнитом типа МП-201 (рис. 2.27) должны соблюдаться следующие
значения зазоров: между якорем (диском) и электромагнитом — (3+1) мм;
между витками пружин в расторможенном состоянии — не менее
1,5 мм; отход колодки от тормозного шкива при разжатых колодках — (0,5-0,5)
мм.
Толщина фрикционных накладок и установочная длина пружин такие же, как и
у тормоза типа КМТД-102.
Регулировка тормозного момента осуществляется сжатием пружин 13 (см.
рис. 2.26) гайками. Большему сжатию соответствует больший тормозной
момент. Ввертывание регулировочного винта 15 увеличивает отход колодок,
а вывертывание — уменьшает.
Ток, протекающий по катушке электромагнита, практически
не зависит от положения якоря и определяется параметрами цепи и
величиной подводимого напряжения.
Конструкция рассмотренного выше тормоза хорошо зарекомендовала себя в
лебедках отечественного производства с глобоидными червячными
передачами. Основными ее недостатками являются большая материалоемкость
и низкая технологичность.

Рис. 2.26. Колодочный тормоз с короткоходовым
электромагнитом постоянного тока типа МП-201:
1 — шпилька; 2 — фасонная шайба; 3 -опорная втулка; 4, 16 — рычаги; 5 —
вилка; 6 — упор; 7 — якорь; 8 — тормозной электромагнит; 9 — шток
электромагнита; 10 — сердечник; 11 — катушка; 12 — кронштейн; 13 —
пружина; 14 — двуплечий рычаг; 15 — регулировочный винт; 17— фиксатор;
18— тормозная колодка

Рис. 2.27. Параметры колодочного тормоза с
короткоходовым электромагнитом постоянного тока типа МП-201, проверяемые
при регулировке:
1 — пружина; 2 — якорь (диск) электромагнита; 3 — электромагнит; 4 —
бирка; 5 — накладка; L — установочная длина пружин тормоза
Содержание
- 1. ВВЕДЕНИЕ (лифты)
- 2. 1.1. Определение лифта
- 3. Устройство и состав типового лифта
- 4. Машинное и блочное помещения оборудованиятиповых лифтов
- 5. Шахта лифта (устройство) - часть 1
- 6. Шахта лифта (устройство) - часть 2
- 7. Шахта лифта (устройство) - часть 3
- 8. Шахта лифта (устройство) - часть 4
- 9. Классификация лифтов
- 10. 1.4.
- 11. Контрольные вопросы
- 12. Контрольные вопросы
- 13. Контрольные вопросы
- 14. 2.1. Лифтовые лебедки - часть 1
- 15. 2.1. Лифтовые лебедки - часть 2
- 16. Лифтовая лебедка с червячным редуктором иканатоведущим шкивом.
- 17. Редукторы лифтовых лебёдок - часть 1
- 18. Редукторы лифтовых лебёдок - часть 2
- 19. Контрольные вопросы
- 20. Канатоведущие органы, блоки и контршкивылифтовых лебёдок
- 21. Барабаны лифтовых лебёдок
- 22. Канатоведущие шкивы лифтовых лебёдок
- 23. Блоки и контршкивы лифтовых лебёдок
- 24. Муфты лифтовых лебёдок
- 25. Тормозные устройства лифтовых лебёдок - часть 1
- 26. Тормозные устройства лифтовых лебёдок - часть 2
- 27. Колодочный тормоз с короткоходовымэлектромагнитом постоянного тока типа МП-201
- 28. Контрольные вопросы
- 29. Кабины лифтов
- 30. Каркас кабины лифта
- 31. Пол и устройства контроля загрузки кабины лифта- часть 1
- 32. ф
- 33. Уравновешивающие элементы кабины лифта
- 34. Гибкие уравновешивающие элементы кабины лифта
- 35. Направляющие башмаки кабины лифта
- 36. Смазывающие аппараты башмаков кабины лифта
- 37. Контрольные вопросы
- 38. Подвески кабин и противовесов лифта
- 39. Пружинные подвески лифта
- 40. Жесткая подвеска лифта
- 41. Полиспастная подвеска лифта
- 42. Ловители лифта
- 43. Лифтовые ловители резкого торможения
- 44. Лифтовые ловители плавного торможения
- 45. Механизм включения ловителей лифта - часть 1
- 46. Механизм включения ловителей лифта - часть 2
- 47. Ограничитель скорости лифта
- 48. Лифтовой ограничитель скорости центробежноготипа с горизонтальной осью вращения
- 49. Лифтовой ограничитель скорости с инерционнымроликом
- 50. Двери шахты и кабины лифта
- 51. Двери шахты и дверные замки лифта
- 52. Распашные двери шахты лифта - часть 1
- 53. Распашные двери шахты лифта - часть 2
- 54. Горизонтально-раздвижные двери шахты лифта -часть 1
- 55. Горизонтально-раздвижные двери шахты лифта -часть 2
- 56. Распашные двери кабины лифта
- 57. Горизонтально-раздвижные двери кабины лифта -часть 1
- 58. Горизонтально-раздвижные двери кабины лифта -часть 2
- 59. Лифтовые канаты - часть 1
- 60. Первоначальный коэффициент запаса прочности при отношении D/d
- 61. Направляющие кабины и противовеса лифта -часть 1
- 62. Направляющие кабины и противовеса лифта - часть2
- 63. Направляющие кабины и противовеса лифта - часть3
- 64. Марка
- 65. Упоры и буфера лифта
- 66. Пружинные буфера лифта
- 67. Гидравлические буфера лифта - часть 1
- 68. Гидравлические буфера лифта - часть 2
- 69. 3.1. Общие сведения
- 70. Требования к электроприводу,электропроводке и освещению лифтов с РЕЛЕЙНО-КОНТАКТОРНЫМИ НКУ
- 71. Виды и системы управления лифтов сРЕЛЕЙНО-КОНТАКТОРНЫМИ НКУ
- 72. Наименование и назначениеэлектрооборудования и электроаппаратов лифтов с РЕЛЕЙНО-КОНТАКТОРНЫМИ НКУ
- 73. Классификация электрических схем лифтов сРЕЛЕЙНО-КОНТАКТОРНЫМИ НКУ
- 74. Условные обозначения элементовэлектрических схем лифтов с релейно-контакторными НКУ
- 75. Структура принципиальных электрических схемлифтов с релейно-контакторными НКУ
- 76. Узел определения местонахождения кабины и выборанаправления движения лифтов с релейно-контакторными НКУ
- 77. Узел тормозного устройства лифтов срелейно-контакторными НКУ
- 78. Узлы питания лифтов с релейно-контакторными НКУ
- 79. Применение R— С-цепочек в электрических схемахлифтов
- 80. Устройство и принцип действия лифтовыхприборов типа «Логика И-300»
- 81. Правила чтения принципиальных электрическихсхем лифтов с релейно-контакторными НКУ
- 82. ->
- 83. Краткая характеристика системы управления лифтом
- 84. Краткая характеристика системы управления лифтом
- 85. Контакт
- 86. 3.13.2. Программы работы лифтов общегоназначения грузоподъемностью 500, 1000, 2000 и 3200 кг с номинальнойскоростью движения кабины 0,5 м/с и грузоподъемностью 5000 кг сноминальной скоростью движения кабины 0,25 м/с
- 87. Режим «Нормальная работа»
- 88. Контакт
- 89. Программа работа лифта в режиме «Нормальная работа»
- 90. Режим «Нормальная работа»
- 91. Соединение
- 92. 3.15.2. Программы работы пассажирского лифта дляжилых зданий грузоподъемностью 320 (500) кг с номинальной скоростьюдвижения кабины 1,0 м/с, светящимися кнопками и одиночным управлением
- 93. Режим «Нормальная работа»
- 94. 3.16. Групповая работа пассажирских лифтов -часть 1
- 95. Соединение
- 96. Групповая работа пассажирских лифтов - часть 3
- 97. Режим «Нормальная работа»
- 98. Погрузочный режим лифта Б
- 99. Диспетчерский контроль за работой лифтов
- 100. 4.1. Особенности новых систем управления лифтами
- 101. Основные технические характеристики
- 102. Программа работы лифта в режиме «Нормальнаяработа»
- 103. Лифты с НКУ типов УЛЖ-10 и УЛЖ-17 - часть 1
- 104. Структурная схема электрической часта
- 105. 4.5. Лифтовый блок управления релейный для НКУтипов УЛЖ-10 и УЛЖ-17 - часть 1
- 106. Реле
- 107. Принцип действия цепи тормозного электромагнитаYA1
- 108. Лифтовый блок управления логический
- 109. 4.7. Световые индикаторы лифта
- 110. Контрольные вопросы
- 111. Устройства защиты и контроля лифта (УЛЖ-10)
- 112. Режим «Нормальная работа»
- 113. 5.1.
- 114. Техническое диагностирование и обследованиелифтов
- 115. Виды ремонтов лифтов
- 116. Регистрация и ввод лифта в эксплуатацию
- 117. Порядок расследования аварий и несчастныхслучаев с лифтами
- 118. 6.1. Основные положения охраны труда при производстве работ на лифтах
- 119. Требования охраны труда при оперативномобслуживании и ремонте электроустановок напряжением до 1000 В на лифтах
- 120. 6.3. Порядок и условия производства работ вдействующих электроустановках на лифтах
- 121. Организация работ на лифтах, выполняемых впорядке текущей эксплуатации согласно перечню
- 122. Отключения электроустановок на лифтах
- 123. Вывешивание запрещающих плакатов на лифтах
- 124. Проверка отсутствия напряжения на лифтах
- 125. Требования к лифтовым переноснымэлектроинструментам, светильникам, ручным электрическим машинам иразделительным трансформаторам
- 126. Защитные средства при работе на лифтах
- 127. СПИСОК ЛИТЕРАТУРЫ (лифты)

от 910.00 руб./шт.

от 0.00 руб./шт.

от 0.00 руб./шт.

от 1500.00 руб./шт.

от 109.00 руб./шт.

от 167.00 руб./шт.

от 46.00 руб./шт.

от 109.00 руб./шт.

от 1426.00 руб./шт.

от 0.00 руб./шт.

от 334.00 руб./шт.

от 265.00 руб./шт.





