6.2.1
Простая гидравлическая система, не обеспечивающая точной остановки кабины гидравлических лифтов
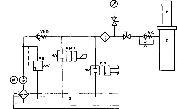
На рис. 6.10 приводится наиболее простая гидравлическая система.

Рис.6.10 Простая гидравлическая система управления
При отсутствии команд, когда кабина стоит на
каком-то этаже, мотор М привода насоса выключен.
Клапан опускания VMD и обратный клапан VNR препятствуют вытеканию
жидкости из цилиндра С в резервуар S.
Предположим, что кабина стоит на одном из нижних этажей, и поступает
команда подъема.
Станция управления, заблокировав двери этажа, или закрыв и заблокировав
их, если они работают в автоматическом режиме, и если все остальные
выключатели безопасности дают разрешение, - включает контактор подъема,
который включает электромотор М.
Жидкость, забираемая из резервуара S, подается насосом Р на обратный
клапан VNR, вследствие чего давление в напорной линии повышается.
Когда давление жидкости превышает давление на выходе обратного клапана,
его запорно-регулирующий элемент открывается. Поток жидкости поступает в
цилиндр, поднимая поршень и связанную с ним кабину.
Когда кабина приблизилась к требуемой остановке,
установленный на этаже выключатель, воздействуя на схему станции
управления, отключает цепь питания контактора подъема, отключающего
электромотор М привода насоса.
С некоторой задержкой времени, определяемой инерцией ротора двигателя,
падение давления приводит к закрыванию клапана VNR, последний
препятствует выходу жидкости из цилиндра и вызывает остановку кабины.
Одновременно с отключением контактора подъема станция управления снимает
электроблокировку шахтных дверей и включает привод открывания дверей
кабины. Пассажиры входят и выходят из кабины.
При получении приказа опускания кабины на один из нижних этажей, после
закрывания дверей, станция управления включает контактор спуска,
который, в свою очередь, замыкает с помощью одного из своих контактов
электрическую цепь электромагнита клапана спуска VMD, который
обеспечивает сообщение цилиндра С с резервуаром S.
Вытекание жидкости из цилиндра под действием давления, создаваемого
силой тяжести поршня и кабины с грузом, в резервуар S, вызывает
опускание поршня и кабины.
Когда кабина приближается к остановке, выключатель этажа вызывает
отключение контактора спуска, который прерывает цепь питания катушки
электроклапана VMD.
Запорно-регулирующий элемент клапана под действием пружины возвращается
в исходное положение, прерывая поток жидкости и останавливая кабину.
При отключении контактора спуска электрическая цепь управления включает
все необходимые операции, связанные с входом и выходом пассажиров и
подготовкой выполнения очередной команды на подъем или спуск кабины.
В рассматриваемой гидравлической системе имеется предохранительный
клапан VS, клапан аварийного спуска VC и клапан ручного управления
спуском VM, которые более подробно будут рассмотрены ниже.
Очевидно, что гидравлическая система, показанная на рис. 6.10, не может
обеспечить необходимую плавность хода и точность остановки кабины.
При подъеме начало движения происходит резко, особенно если используются
объемные насосы, производительность которых практически не зависит от
рабочего давления, а, следовательно, от массы груза в кабине, и они
развивают полную производительность за короткое время.
Достаточно резко происходит и остановка кабины (если только мотор не
снабжен маховиком со значительной инерцией), и не достигается
необходимая точность остановки.
Спуск происходит за счет потенциальной энергии движущихся масс.
Поскольку отверстие прохода жидкости через клапан спуска VMD имеет
постоянное сечение, расход жидкости через клапан а, следовательно, и
скорость кабины, является функцией от разности давлений перед и после
клапана, а следовательно, от груза в кабине, когда давление в сливной
линии после клапана практически равно нулю. Эта скорость меняется также
с изменением вязкости жидкости, зависящей от температуры.
В фазах ускорения и замедления, поскольку время открывания и закрывания
клапана спуска практически постоянно, а количество жидкости, проходящей
через клапан, является функцией от груза в кабине, интервал пуска тем
короче, а интервал остановки тем длиннее, чем больше сам груз, в то
время, как интервалы пуска и остановки тем
больше, чем выше рабочая скорость. Из этого
следует, что, поскольку команда остановки кабины подается всегда на
одном расстоянии от этажа, точность позиционирования зависит, при равных
рабочих скоростях, от массы груза в кабине.
Из вышесказанного становится очевидным, что схема, представленная на
рис. 6.10, должна быть изменена так, чтобы:
• добиться того, чтобы после достижения давления, необходимого для
движения кабины, количество жидкости, поступающей в цилиндр, возрастало
постепенно;
• в гидравлической системе имелся регулятор производительности, который
при спуске создавал бы по возможности постоянный перепад давления, на
входе и выходе клапана спуска;
• установка имела вторую пониженную скорость, которую назовем скоростью
выравнивания, получаемую за счет регулирования расхода жидкости,
подаваемой насосом при подъеме и вытекания при спуске. Благодаря этому,
при малой скорости выравнивания перед началом остановки кабины, интервал
остановки становится величиной малой, практически независимой от массы
груза в кабине.
• использовать по необходимости скорость выравнивания для поддержания
положения кабины на этаже при ее возможном смещении при изменении
температуры или утечки жидкости.
Иными словами, если на плоскости по оси абсцисс отложить скорость
кабины, а по оси ординат - время, то мы получим диаграмму, приведенную
на рис.6.11.

Для наглядности, скорости подъема приводятся слева
от оси ординат, а скорости спуска - справа. Кружочками отмечены
характерные точки диаграммы скорости в моменты срабатывания
соответствующих датчиков на пути движения кабины.
На диаграмме движения видны интервалы ускорения и замедления при подъеме
и спуске, а также пониженная скорость выравнивания в обоих режимах
работы.
При низкой скорости движения лифта, когда производительность установки
невелика, лифт совершает небольшое число проходов, и поэтому нагревание
жидкости также невелико, желательно придерживаться диаграммы движения,
приведенной на рис.6.12, которая отличается от предыдущей тем, что лифт
при подъеме поднимается несколько выше уровня этажа и затем медленно
спускается на этот уровень.
Ниже мы будем говорить более подробно о том, что
для достижения хорошего выравнивания на остановке при движении лифта
вверх кабина должна пройти немного (не более 10 см) выше нужной
остановки. Затем она должна быть опущена на столько, сколько необходимо
для идеального позиционирования на этаже.
Как уже говорилось, гидравлическая система может иметь разные
конфигурации в зависимости от конструкции используемых клапанов и их
взаимного расположения.
Для систематичного рассмотрения этих систем мы сочли целесообразным
подразделить их в зависимости от того, какая диаграмма движения в них
используется (по рис.6.12 или 6.11).
Содержание
- 1. Гидравлические лифты (Архангельский Г.Г., Бабичев С.Д, Ваксман М.А.) -читать онлайн
- 2. ПРЕДИСЛОВИЕ (Гидравлические лифты)
- 3. История развития конструкции гидравлических лифтов
- 4. История развития конструкции гидравлических лифтов
- 5. История развития конструкции гидравлических лифтов
- 6. История развития конструкции гидравлических лифтов
- 7. История развития конструкции гидравлических лифтов
- 8. Современное состояние, тенденции и перспективы дальнейшегосовершенствования гидравлических лифтов
- 9. Классификация, кинематические схемы и техническая характеристикагидравлических лифтов
- 10. Классификация гидравлических лифтов
- 11. Техническая характеристика гидравлических лифтов
- 12. Общие требования к конструкции и параметрам гидравлических лифтов
- 13. Конструкция и принцип действия гидравлических лифтов и грузовых платформ
- 14. РАБОЧИЕ ЖИДКОСТИ ГИДРОПРИВОДА гидравлических лифтов
- 15. Минеральные масла гидравлических лифтов
- 16. Плотность и удельный вес минеральных масел гидравлических лифтов
- 17. Влияние воды на минеральные масла гидравлических лифтов
- 18. Влияние воздуха на минеральные масла гидравлических лифтов
- 19. Влияние температуры на минеральные масла гидравлических лифтов
- 20. Теплоемкость и теплопроводность рабочей жидкости гидравлических лифтов
- 21. Смазывающая способность и стабильность характеристик рабочей жидкостигидравлических лифтов
- 22. Влияние механических примесей на свойства рабочей жидкости гидравлическихлифтов
- 23. МЕХАНИЗМЫ ПОДЪЕМА С ГИДРОДВИГАТЕЛЯМИ ПОСТУПАТЕЛЬНОГО ПЕРЕМЕЩЕНИЯ
- 24. Канатные и рычажные мультипликаторы механизмов подъема гидравлическихлифтов
- 25. Тяговые органы канатных мультипликаторов гидравлических лифтов
- 26. Тяговые органы канатных мультипликаторов гидравлических лифтов
- 27. Основные характеристики канатного мультипликатора гидравлических лифтов
- 28. Гидроцилиндры механизма подъема гидравлических лифтов
- 29. Одноступенчатые гидроцилиндры гидравлических лифтов
- 30. Одноступенчатые гидроцилиндры гидравлических лифтов
- 31. Одноступенчатые гидроцилиндры гидравлических лифтов
- 32. Одноступенчатые штоки гидравлических лифтов, работающие на сжатие
- 33. Телескопические поршни гидравлических лифтов, работающие на сжатие
- 34. Телескопические поршни с механической синхронизацией нагидравлических лифтах
- 35. Телескопические поршни с гидравлической синхронизацией нагидравлических лифтах
- 36. Определение размеров телескопических поршней гидравлических лифтов
- 37. СИЛОВОЕ ОБОРУДОВАНИЕ ГИДРОПРИВОДА гидравлических лифтов
- 38. Бак для рабочей жидкости гидравлических лифтов
- 39. Бак для рабочей жидкости гидравлических лифтов
- 40. Электродвигатель привода насоса гидравлических лифтов
- 41. Электродвигатель привода насоса гидравлических лифтов
- 42. Насос гидроагрегата гидравлических лифтов
- 43. Насос гидроагрегата гидравлических лифтов
- 44. Шестеренчатые насосы гидравлических лифтов
- 45. Аксиально-поршневые насосы гидравлических лифтов
- 46. Винтовые насосы гидравлических лифтов
- 47. Винтовые насосы гидравлических лифтов
- 48. ВСПОМОГАТЕЛЬНОЕ ОБОРУДОВАНИЕ ГИДРОПРИВОДА гидравлических лифтов
- 49. Трубопровод гидропривода гидравлических лифтов
- 50. Уплотнения гидропривода гидравлических лифтов
- 51. Уплотнения гидропривода гидравлических лифтов
- 52. Фильтры гидропривода гидравлических лифтов
- 53. Фильтры гидропривода гидравлических лифтов
- 54. Антивибраторы и шумоподавители гидропривода гидравлических лифтов
- 55. Антивибраторы и шумоподавители гидропривода гидравлических лифтов
- 56. Теплообменники гидропривода гидравлических лифтов
- 57. Теплообменники гидропривода гидравлических лифтов
- 58. АППАРАТУРА УПРАВЛЕНИЯ ГИДРОПРИВОДА гидравлических лифтов
- 59. Клапаны гидропривода гидравлических лифтов
- 60. Дросселирующие клапаны гидропривода гидравлических лифтов
- 61. Дросселирующие клапаны гидропривода гидравлических лифтов
- 62. Клапаны ограничения давления гидропривода гидравлических лифтов
- 63. Клапаны регулирования потока рабочей жидкости гидропривода гидравлическихлифтов
- 64. Электроклапаны гидропривода гидравлических лифтов
- 65. Пропорциональные электроклапаны гидропривода гидравлических лифтов
- 66. Гидравлические схемы управления гидравлических лифтов
- 67. Простая гидравлическая система, не обеспечивающая точной остановки кабиныгидравлических лифтов
- 68. Гидравлическая система со скоростью выравнивания при спуске -гидравлические лифты
- 69. Лифтовая гидравлическая система с разными клапанами для подъема и спуска
- 70. Гидравлическая система, в которой одни и те же клапаны управляют ходомкабины лифта при подъеме и при спуске
- 71. Гидравлическая система, в которой одни и те же клапаны управляют ходомкабины лифта при подъеме и при спуске
- 72. Гидравлическая система, в которой одни и те же клапаны управляют ходомкабины лифта при подъеме и при спуске
- 73. Гидравлические схемы лифтов с электронной системой управления ипропорциональными клапанами
- 74. Гидролифты - Гидравлическая схема управления с частотным регулированием
- 75. ОСНОВЫ ТЯГОВОГО РАСЧЕТА ГИДРАВЛИЧЕСКОГО ЛИФТА
- 76. Расчет сопротивления движению башмаков кабины по направляющим угидравлических лифтов
- 77. Определение параметров гидроцилиндра гидравлических лифтов
- 78. Определение параметров силового оборудования гидравлических лифтов
- 79. КАБИНЫ ГИДРАВЛИЧЕСКИХ ЛИФТОВ
- 80. Конструкция кабины гидравлических лифтов
- 81. Конструкция кабины гидравлических лифтов
- 82. Устройства контроля загрузки кабины гидравлических лифтов
- 83. Каркас кабины лифта гидравлических лифтов
- 84. Каркас кабины лифта гидравлических лифтов
- 85. Прочностной расчет каркаса кабины гидравлических лифтов
- 86. Гидравлические лифты - расчет каркаса кабины лифта с гидроцилиндромпрямого действия
- 87. ДВЕРИ КАБИНЫ И ШАХТЫ гидравлических лифтов
- 88. Конструкция и работа механизма привода автоматических дверейгидравлических лифтов
- 89. Раздвижные двери кабины гидравлических лифтов
- 90. Раздвижные двери кабины гидравлических лифтов
- 91. Раздвижные двери кабины гидравлических лифтов
- 92. Раздвижные двери кабины гидравлических лифтов
- 93. Кинематика и расчет механизма привода автоматических раздвижных дверейгидравлических лифтов
- 94. Кинематика и расчет механизма привода автоматических раздвижных дверейгидравлических лифтов
- 95. Кинематика и расчет механизма привода автоматических раздвижных дверейгидравлических лифтов
- 96. НАПРАВЛЯЮЩИЕ гидравлических лифтов
- 97. Конструкция и установка направляющих в шахте гидравлических лифтов
- 98. Конструкция и установка направляющих в шахте гидравлических лифтов
- 99. Конструкция и установка направляющих в шахте гидравлических лифтов
- 100. Расчет направляющих гидравлических лифтов
- 101. Гидравлические лифты - Методика расчета направляющих на прочность ижесткость
- 102. ЗАЩИТНЫЕ УСТРОЙСТВА гидравлических лифтов
- 103. Механические защитные устройства гидравлических лифтов
- 104. Ловители гидравлических лифтов
- 105. Улавливающие устройства ловителей гидравлических лифтов, их основныехарактеристики
- 106. Конструкция и принцип действия ловителей гидравлических лифтов
- 107. Ловители плавного торможения гидравлических лифтов
- 108. Расчет ловителей гидравлических лифтов
- 109. Механизмы привода ловителей гидравлических лифтов
- 110. Проверка работоспособности механизма включения ловителей гидравлическихлифтов
- 111. Ограничители скорости гидравлических лифтов
- 112. Конструкция и расчет ограничителей скорости гидравлических лифтов
- 113. Гидравлические лифты - конструкция и расчет ограничителя скорости синерционным роликом
- 114. Упоры и буферы гидравлических лифтов
- 115. Конструкция и расчет пружинного буфера гидравлических лифтов
- 116. Конструкция и расчет гидравлического буфера гидравлических лифтов
- 117. Гидравлические устройства предотвращения падения кабины лифта
- 118. Гидромеханическое устройство стопорения поршня гидравлических лифтов
- 119. Устройства защиты от медленного спуска кабины гидравлических лифтов
- 120. Применение ловителей для предотвращения медленного спуска кабиныгидравлических лифтов
- 121. Стопорные устройства защиты от медленного спуска кабины гидравлическихлифтов
- 122. Аварийные устройства эвакуации пассажиров из кабины гидравлических лифтов
- 123. Клапан ручного действия для спуска кабины гидравлических лифтов
- 124. ЭЛЕКТРОАППАРАТУРА гидравлических лифтов
- 125. Электрическая цепь пуска гидравлических лифтов
- 126. Электрическая цепь управления гидравлических лифтов
- 127. Гидравлические лифты - цепь управления с выравниванием при закрытыхдверях во время спуска и с автовыравниванием при открытых дверях
- 128. Гидравлические лифты - схема управления с выравниванием при закрытыхдверях
- 129. ШАХТЫ И МАШИННЫЕ ПОМЕЩЕНИЯ гидравлических лифтов
- 130. Шахты гидравлических лифтов
- 131. Собственно шахта гидравлических лифтов
- 132. Приямок гидравлических лифтов
- 133. Верхняя часть шахты гидравлических лифтов
- 134. Машинные помещения гидравлических лифтов
- 135. ЛИТЕРАТУРА (Гидравлические лифты)
- 136. ОСНОВНЫЕ УСЛОВНЫЕ ОБОЗНАЧЕНИЯ ЭЛЕМЕНТОВ ОБЪЕМНОГО ГИДРОПРИВОДА ЛИФТОВОТЕЧЕСТВЕННОГО ПРОИЗВОДСТВА
- 137. ОГЛАВЛЕНИЕ - Гидравлические лифты (Архангельский Г.Г.)

от 890.00 руб./шт.

от 185.00 руб./шт.

от 132.00 руб./шт.

от 103.00 руб./шт.

от 391.00 руб./шт.

от 17 518.00 руб./шт.

от 17 518.00 руб./шт.

от 17 518.00 руб./шт.

от 2559.00 руб./шт.

от 1578.00 руб./шт.

от 890.00 руб./шт.





